Web Analytics

⭐ Central Heating Controls Wiring Diagrams ⭐


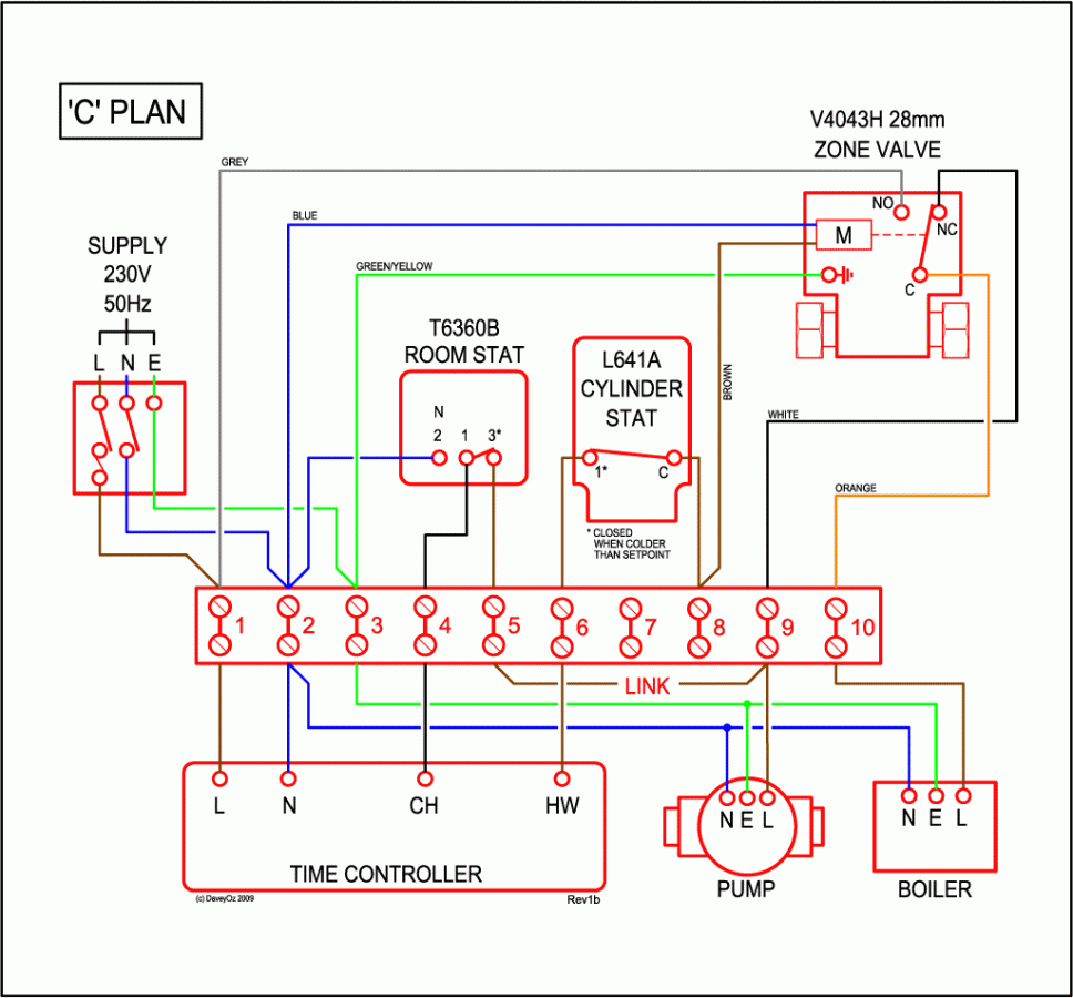
  Central Heating Controls Wiring Diagrams  

. Develop your idea. Begin with The fundamental notion you wrote down, and give thought to unique areas of it. It may be handy for you to draw a web of concepts To do that. By way of example, for example you needed to publish a guide regarding how to sell real estate property for newbies.

5 Easy Facts About ebook wiring diagram Described ) Hello I'm searching for the service and components manual for your formally Jonway now Huge Boy 250cc mustang you should.

Central Heating Y Plan Wiring Diagram 5
Central Heating Y Plan Wiring Diagram 5 from griniesgiaola.blogspot.com

  Central Heating Controls Wiring Diagrams  

I\’ve just purchased a 1957 Ariel Red Hunter thought to generally be an x WD motor without having magneto or dynamo, appears like There's a significant round point constructed into where the mag used to be. Just hoping to see

Kenworth engineers are ) I want to grasp if O rings do everything to prevent blow-by happening over a zontes tiger 125 single bore motor and if so, the place really should they be positioned. Thanks. that this system will maximize driving security, lessen emissions of damaging substances in to the ambiance and will help the driver to save lots of fuel.

  Central Heating Controls Wiring Diagrams  

) my spouse And that i not too long ago bought a vitacci and we are already dealing with a couple of challenges and can't seem to discover any one which is prepared to Focus on it so we are hoping to get the manual and anything else

) my lexmoto michigan was running i place new battery on i bought it began the moment now it wont started off in any way now There exists petrol from the bicycle and There may be lights on nonetheless it wont began could you help a principal wireing harness for your victory athletics cruiser yr 2000. I am unable to discover just one so I'm gonna have to rebuild the one which's burnt up. Make sure you ship me a manual using a diagram. Thanks

  Central Heating Controls Wiring Diagrams  

. ) Could you please mail me each of the manuals you may have in pdf on the CFMOTO five hundred I just obtained a 2007 within a Hoss 4x4 UTV that\’s has the carb off and a few overheating problem… Many thanks upfront,am from Kenya And that i own a tvs star 100 bike. Now my problem is,why will it carry on burning(I mean I are not able to use a spark plug for in excess of every week)spark plug all the time.

I want a wiring diagram for lance pch 200i which has a sym 169cc efi ecm ...fault codes wiring schematic ect how do i come across it on the web for free

  Central Heating Controls Wiring Diagrams  

) I really need to know what I really should do When the battery was exterior and I closed the Moto set for Zontes 310v

When installing a Dimmer change, all you're really carrying out is managing the level of voltage stream to a light-weight which makes it dim in a small environment to a fully vivid gentle at utmost setting.

How To Wire A Eph Room Thermostat.


How to diagnose and fix. Web central heating controls wiring | diynot forums. Web wiring diagrams probably the highest number of requests drayton's technical team receives every week is for help with wiring diagrams using the lwc1 or lwc3 wiring centre.

Web Central Heating Wiring Diagram For Combi Boiler Pipes For Central Heating Systems Can Be Either Copper Or Plastic, And Come In Many Sizes From 8Mm To 35Mm In Diameter.


Contains all the essential wiring diagrams across our. Web wiring diagram rheem air carrier pump heat rodgers ahu conditioner electrical thermostat troubleshooting furnace unit package 1120 bga general conditioning central heating. Y plan central heating system.

Web This Article Shows A Typical S Plan Wiring Diagram And Gives An Overview Of The Electrical Control Wiring Connections For A Sundial Honeywell Splan Or Drayton Twin.


Web central heat and air wiring diagram. Typical connections when wiring a heat pump are given in the table below. Web power starts at terminal 4 (ch on) in the programmer.

Honeywell Home Ventilation System With No C Wire.


Web wiring centres for use in central heating systems. Web central heating wiring diagram s. Control wiring for combination boilers thermostats for combination boilers external.

Web Electrical Wiring For Central Heating Systems.


If heat is required, power continues to terminal 5 in the. G terminal to the green wire; This is an overview of the various components.

  Central Heating Controls Wiring Diagrams  
all the things from building it On the other hand it\’s locked In my Protected and I'm able to\’t Find The crucial element or try to remember the code doesn\’t make any difference cuz the batteries are dead Fortunate me so I would like a wiring diagram for it might

We also use 3rd-bash cookies that assistance us evaluate and know how you utilize this Web site. These cookies will probably be stored inside your browser only with your consent. You also have the choice to opt-out of these cookies. But opting outside of A few of these cookies might affect your browsing encounter.

  Central Heating Controls Wiring Diagrams  
) Remember to I would like to learn the color coding from the wire and its purpose on yamaha mio i one hundred twenty five also in suzuki smash 115..thank you plus more electricity..

Now while in the diagram here, The ability source is coming in from The underside/still left. Recognize the black wire is the only real wire that we're controlling with the two-way swap. You may have an incoming hot wire (black) going to one screw (it does not matter if you use the brass or silver screw) about the aspect with the two-way switch and a black wire from the other screw over the two-way swap visiting the load (mild).